- Get link
- X
- Other Apps

China 40mm Low Noise Elcetric Dc Brush Motor 40abs Series

Advanced Emi Filters Cut Costs On Brush Dc Motors Machine
X2y Attenuators Llc


Amazon Com Permanent Magnetic Motor 31zy Dc 6v 12v 24v 3500

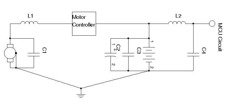
Accounting For Signal And Power Line Noise On An Arduino

Solution Guide Ring Varistors Tdk Product Center

Solution Guide Ring Varistors Tdk Product Center

2019 Brand New 3v 6v 9v 12v 180 Micro Dc Motor Ff 180sh 13260 Low Noise Long Shaft Precious Metal Brush Toy Motor From Winbellwang 0 61

Kerry D Wong Blog Archive A Short Guide On Motor
Dc Motors Against Back Emf Jungletronics Medium

Electromagnetic Interference Reduction

Electromagnetic Interference Reduction

Why Capacitor Is Connected With Dc Motor Explained Etechnog

Using Dc Motor Commutation Spikes To Measure Motor Speed Rpm

Types Of Motors Adafruit Motor Selection Guide Adafruit
- Get link
- X
- Other Apps
Comments
Post a Comment